
JSOM-N8PC
基于工规级 NXP i.MX 8M Plus SoC设计,支持宽温 -40~85℃ 应用环境,适配 androids/Linux 等多种操作系统,为您提供稳定可靠的轻量化边缘AI解决方案。
CPU | NXP i.MX 8M Plus 4x Arm Cortex-A53, 最大主频 1.8GHz (常温) / 1.6GHz (宽温) 1x Arm Cortex-M7 实时性协处理器, 最大主频 800MHz | |
NPU | 2.3 TOPS Neural Network performance | |
GPU | Vivante GC7000UL, supports OpenVG 1.1, Open GL ES 3.1, Vulkan, and Open CL 1.2 FP | |
硬件编解码 | 支持 H.265/H.264/VP9/VP8 视频解码, 最高1080p60; 支持 H.265/H.264 视频编码, 最高1080p60 | |
内存 | 板载 2GB/4GB/6GB LPDDR4 | |
存储 | 板载 16GB/32GB/64GB eMMC 5.1 for OS | |
以太网 | 2x 10/100/1000 Mbps | |
显示 | 1x HDMI 2.0a, 支持 4K30 输出 1x 4-lane MIPI-DSI 1x 单通道 LVDS 支持双屏异显或三屏同显 | 1x HDMI 2.0a, 支持 4K30 输出 1x 双通道 LVDS 支持双屏异显或同显 |
摄像头 | 1x 4-lane MIPI-CSI, 1x 2-lane MIPI-CSI | |
音频 | 2x I2S 用于音频输入输出 | |
PCIe | 1x PCIe 3.0 1-lane | |
SATA | - | |
USB | 2x USB 3.0 Host, 2x USB 2.0 Host, 1x USB 2.0 OTG/Host | |
串口 | 2x 4-wire UART, 2x 2-wire UART for debug | |
其他 I/O | 1x SDIO (4 bit, for SD cards), 2x CAN FD, 2x SPI, 5x I2C, 14x GPIO | |
扩展功能 | 支持独立看门狗, 定时开关机 | |
电源 | DC 5V, 支持 3.6~5.25V 锂电池供电 | |
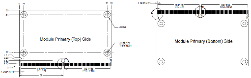
规范/尺寸 | SMARC 2.1.1 314-pin MXM 金手指, 82mm x 50mm | |
操作系统 | Yocto 3.5 Linux, Ubuntu 22.04, androids 11 | |
启动方式 | eMMC or SD, 默认 eMMC | |
工作温度/湿度 | -20~70℃/-40~85℃ 可选, 10%~90% RH 无冷凝 | |
储存温度/湿度 | -40~85℃, 5%~90% RH 无冷凝 | |

产品尺寸

产品选型
产品型号 | SoC | 内存 | Flash | 显示 | GbE | PCIe | USB | UART | CAN | 工作温度 |
JSOM-N8PC-A8ML3 | i.MX 8M Plus Quad 1.6 GHz | 4GB | 32GB | HDMI+Dual LVDS | 2 | 1 | 5 | 4 | 2 | -20~70℃ |
JSOM-N8PC-A8MM3 | i.MX 8M Plus Quad 1.6 GHz | 4GB | 32GB | HDMI+MIPI+LVDS | 2 | 1 | 5 | 4 | 2 | -20~70℃ |
智微智能为您提供量身定制的解决方案,满足从产品定义到软硬件开发的各种需求,会安排资深产品工程师为您服务。





