
JSOM-N8MC
基于工规级 NXP i.MX 8M Mini SoC设计,支持宽温 -40~85℃ 应用环境,适配 androids/Linux 等多种操作系统,是低功耗嵌入式应用的最优选择。
CPU | NXP i.MX 8M Mini 4x Arm Cortex-A53, 最大主频 1.8GHz (常温) / 1.6GHz (宽温) 1x Arm Cortex-M4 实时性协处理器, 最大主频 400MHz |
NPU | - |
GPU | Vivante GC NanoUltra, 支持 OpenGL ES 2.0, OpenVG 1.1 |
硬件编解码 | 支持 H.265/H.264/VP9/VP8 视频解码, 最高1080p60; 支持 H.264/VP8 视频编码, 最高1080p60 |
内存 | 板载 2GB/4GB LPDDR4 |
存储 | 板载 16GB/32GB/64GB eMMC 5.1 for OS 板载 32MB QSPI NOR Flash for 主板信息 |
以太网 | 1x 10/100/1000 Mbps |
显示 | 1x 4-lane MIPI-DSI / 双通道LVDS 可选 |
摄像头 | 1x 4-lane MIPI-CSI |
音频 | 2x I2S 用于音频输入输出 |
PCIe | 1x PCIe 2.0 1-lane |
SATA | - |
USB | 4x USB 2.0 Host, 1x USB 2.0 OTG/Host |
串口 | 2x 4-wire UART, 2x 2-wire UART for debug |
其他 I/O | 1x SDIO (4 bit, for SD cards), 2x SPI, 4x I2C, 14x GPIO |
扩展功能 | 支持独立看门狗, 定时开关机 可选板载 WiFi 模块 |
电源 | DC 5V, 支持 3.6~5.25V 锂电池供电 |
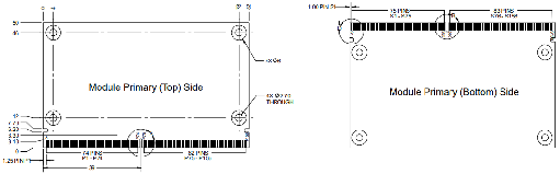
规范/尺寸 | SMARC 2.1.1 314-pin MXM 金手指, 82mm x 50mm |
操作系统 | Yocto 3.5 Linux, Ubuntu 22.04, androids 11 |
启动方式 | eMMC or SD, 默认 eMMC |
工作温度/湿度 | -20~70℃/-40~85℃ 可选, 10%~90% RH 无冷凝 |
储存温度/湿度 | -40~85℃, 5%~90% RH 无冷凝 |

产品尺寸

产品选型
产品型号 | SoC | 内存 | Flash | WiFi | 显示 | GbE | PCIe | USB | UART | 工作温度 |
JSOM-N8MC-A6ML2 | i.MX 8M Mini Quad 1.6 GHz | 4GB | 32GB | Yes | LVDS | 1 | 1 | 5 | 4 | -20~70℃ |
JSOM-N8MC-A6MM2 | i.MX 8M Mini Quad 1.6 GHz | 4GB | 32GB | No | MIPI-DSI | 1 | 1 | 5 | 4 | -20~70℃ |
智微智能为您提供量身定制的解决方案,满足从产品定义到软硬件开发的各种需求,会安排资深产品工程师为您服务。





